LMF TYPE(輕量形) / 지상이동형
 
* 사용공기압 6㎏f/㎠ 이상
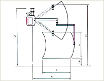
MODEL CAPACITY
(㎏)
MOUN
TING
H H1 H2 S R BODY W/T
(㎏)
MOUNT
(㎏)
LMF-60 60

고정

 


이동

1420 3290 2710 1500 2330 110 350
LMF-90 90 1580 3318 2725 1500 2330 150 425
LMF-120 120 1580 3318 2725 1500 2330 180 480
LMF-150 150 1580 3318 2725 1500 2330 220 525
LMF-200 200 1580 3350 2758 1500 2330 360 630
LMF-250 250 1580 3350 2758 1500 2330 400 760
LMC TYPE(輕量形) / 천정형
 
* 사용공기압 6㎏ f/㎠ 이상
MODEL CAPACITY(㎏) MOUNTING H H1 H2 S R BODY W/T
(㎏)
LMC-60 60

고정


이동

1420 3290 2920 1500 2330 110
LMC-90 90 1580 3318 2935 1500 2330 150
LMC-120 120 1580 3318 2935 1500 2330 180
LMC-150 150 1580 3318 2935 1500 2330 220
LMC-200 200 1580 3350 3010 1500 2330 360
LMC-250 250 1580 3350 3010 1500 2330 400

1. ALL AIR방식으로 작동되며 평행관절 LINK 기구 채용으로 보다 넓은 범위의 다양한 작업을 할 수 있습니다.
2. 작업에 정확성을 기할 수 있으며 물체의 흔들림이 없습니다.
3. 물체의 정지 및 이동시 완벽한 무중력 상태를 유지하여 중량물을 무중력 상태로 가볍게 반송작업이 가능.
4. WORK 무게 변동시 AUTO BALANCE 기능도 가능
5. 공작물의 이동시 돌출 장애물이 있는곳에도 적합하게 사용가능합니다.
6. 내구성이 있는"ㄱ"자 ARM을 채택하여 작업시 진동이나 소음이 없습니다.
7. 에어공급 중단시에도 안전회로를 내장하여 평행을 유지하며 돌발적인 제품낙하를 방지합니다.

리프터 설치장소, 용량별 적용모델이 타사에 비해 다양하며 가반중량이 60㎏에서 250㎏까지의 모델이 표준품 입니다.
  (비규격 모델도 맞춤형으로 제작가능합니다.)
근 골격계(요통)질환 방지장비이며 한국 산업안전 공단의"CLEAN 사업장" 등록업체 입니다.